发烧论坛

注册

 

返回列表 «345678910» / 22
发新话题 回复该主题

高品质电子分频有源音响系统制作教程DIR [复制链接]

查看: 167007|回复: 219
61#

回复: 高品质电子分频有源音响系统制作教程DIR

TOP
62#

回复:高品质电子分频有源音响系统制作教程DIR

另外再提供一个大动态范围的直流音量调节专用IC给人们参考,该器件M5107L05具有8V的信号动态范围,不会像其它直流音调IC只有3V峰峰值的动态范围那样容易发生削波。但M5107L05的背景噪声远不如采用电子开关切换内置电阻的SC9153或TC9235专用音量调节IC低,失真也比后者大。优点是可以多片合用一只马达电位器同时控制6声道音量,可用于要求不太高的AV系统中。据厂家提供的资料,M5107L05的残余噪声为60μv,TC9235的残余噪声为2μv。我实际使用过SC9153,信噪比实测不低于100dB。
TOP
63#

回复: 高品质电子分频有源音响系统制作教程DIR

TOP
64#

回复:高品质电子分频有源音响系统制作教程DIR

用极低噪声的音量调节控制IC加TDA7294,即可制作出完全能胜任高灵敏度全频喇叭使用的驱动功放。我手上尚有几片TDA7294专用双功放PCB板可以赠送给用得着的人,但邮寄费需自付。若采用快递方式,由收货方付快递费,只需要提供收货人名字、地址,电话号码给我即可,送完为止。
TOP
65#

回复:高品质电子分频有源音响系统制作教程DIR

支持!
TOP
66#

回复:高品质电子分频有源音响系统制作教程DIR

程老师是有水平的高手,可惜和时代脱节了,如果能放下架子和新时代融合,前途不可限量。
欢迎访问淘宝店:http://store.taobao.com/shop/view_shop-842906440f6f98c0679d50b162e7a065.htm
TOP
67#

回复: 高品质电子分频有源音响系统制作教程DIR

铁壳球顶中音图片:
TOP
68#

回复: 高品质电子分频有源音响系统制作教程DIR



2W电子分频
TOP
69#

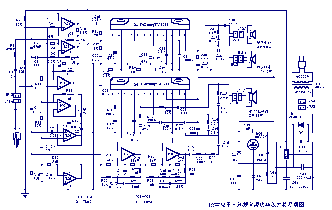
回复: 高品质电子分频有源音响系统制作教程DIR



18W电子分频
TOP
70#

回复: 高品质电子分频有源音响系统制作教程DIR


50W电子分频
TOP
发新话题 回复该主题