帐号
注册
密码
登录
关闭
安全选项
找回密码
记住我
我的中心
登录或注册新用户,开通自己的个人中心
HIFI168首页
快速搜索
帖子标题
作者
版块
发烧论坛
»
发烧专区
»
HiFi乐趣
»
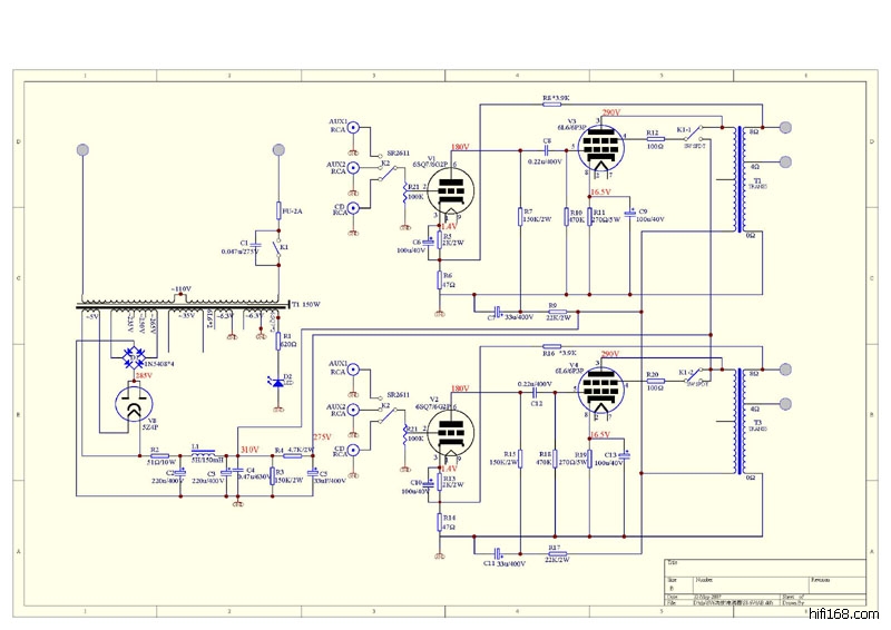
这张6p3p电路图,请高手指教一下
发烧专区
HiFi乐趣
音乐唱片
器材用家专区
在线试听
交易论坛
硬件交易
软件交易
返回列表
查看:
2519
|
回复:
2
这张6p3p电路图,请高手指教一下
[复制链接]
查看:
2519
|
回复:
2
发送短消息
UID
112255
精华
0
查看公共资料
搜索主题
搜索帖子
tango
组别
论坛发烧友
生日
帖子
1
积分
1
性别
注册时间
2007-08-01
tango
论坛发烧友
1
#
字体大小:
t
T
发表于
2007-08-01 16:22
|
只看楼主
这张6p3p电路图,可有何改进的地方?
20070522_6beb8c8233347d9a72c7em5qeui1a5Fd.jpg
(, 下载次数:304)
jpg
(2007/8/1 16:22:15 上传)
分享
转发
TOP
发送短消息
UID
74722
精华
85
58041989
查看公共资料
搜索主题
搜索帖子
clk
-面向未来-
组别
论坛博士后
生日
帖子
35244
积分
45400
性别
注册时间
2002-11-09
clk
论坛博士后
2
#
字体大小:
t
T
发表于
2007-08-01 17:06
|
只看该用户
回复:这张6p3p电路图,请高手指教一下
这里懂这方面的人不多啊
CLK发烧信号线!
淘宝:
http://shop35466467.taobao.com
TOP
发送短消息
UID
65954
精华
5
137972881
查看公共资料
搜索主题
搜索帖子
3L-AUDIO
3L-AUDIO
组别
论坛博士后
生日
帖子
3794
积分
9433
性别
注册时间
2005-04-06
3L-AUDIO
论坛博士后
3
#
字体大小:
t
T
发表于
2007-08-01 17:36
|
只看该用户
回复:这张6p3p电路图,请高手指教一下
按图示,两种接法都不能充分发6P3P的性能。
藕乃草根
TOP
上一主题
|
下一主题
返回列表
高级编辑器
B
Color
Image
Link
Quote
Code
Smilies
默认表情
你需要登录后才可以发帖
登录
|
注册
发表回复
查看背景广告
隐藏
发新主题
发烧专区
HiFi乐趣
音乐唱片
器材用家专区
在线试听
交易论坛
硬件交易
软件交易
浏览过的版块
软件交易
TOP
设置头像
个人资料
更改密码
用户组
收藏夹
积分