发烧论坛

注册

 

发新话题 回复该主题

寻找Rogers LS3/5A 金牌仔的佳配 [复制链接]

查看: 13644|回复: 59
51#

回复: 寻找Rogers LS3/5A 金牌仔的佳配

原帖由 coll 于 2008-5-6 14:19:00 发表
强烈要求dd845兄转让一对毒品出来!!


是啊,强烈要求dd845兄转让一对毒品出来!!!3/5A
最愛奚秀蘭並因奚秀蘭而發燒
我發表的以奚秀蘭爲主題的重要帖子的鏈結:http://post.baidu.com/f?kw=%DE%C9%D0%E3%C0%BC
TOP
52#

回复:寻找Rogers LS3/5A 金牌仔的佳配

经名家指点,已经初步确定搭配金牌仔的方案EAK ST60+Fisher 400CX
,不知大家认为如何?还有,这一套系统搭配线材方面有什么好建议???
AUDIO NOTE AN-CD2
AUDIO NOTE  SORO
SPENDOR  LS3/5A
TOP
53#

回复:寻找Rogers LS3/5A 金牌仔的佳配

顶上再请教.................
AUDIO NOTE AN-CD2
AUDIO NOTE  SORO
SPENDOR  LS3/5A
TOP
54#

回复:寻找Rogers LS3/5A 金牌仔的佳配

amw3902兄不是找到答案了吗?
TOP
55#

回复:寻找Rogers LS3/5A 金牌仔的佳配

吓死人!禁多胆..........同箱!声音点样呢?
生命在于运动!音乐源于自然。。。。。。。。。。。。。
TOP
56#

回复: 寻找Rogers LS3/5A 金牌仔的佳配

原帖由 尚真 于 2008-5-9 19:00:00 发表
吓死人!禁多胆..........同箱!声音点样呢?


声音好到不得了!呢几十年的声音真係冇进步过。
器材是手段,音乐才是目的。
TOP
57#

回复: 寻找Rogers LS3/5A 金牌仔的佳配

这台怎样?
2005_1011图像10037.JPG (, 下载次数:63)

jpg(2008/5/10 17:00:07 上传)

2005_1011图像10037.JPG

2005_1011图像10038.JPG (, 下载次数:56)

jpg(2008/5/10 17:00:07 上传)

2005_1011图像10038.JPG

2005_1011图像10039.JPG (, 下载次数:44)

jpg(2008/5/10 17:00:07 上传)

2005_1011图像10039.JPG

TOP
58#

回复:寻找Rogers LS3/5A 金牌仔的佳配

该用户帖子内容已被屏蔽
TOP
59#

回复: 寻找Rogers LS3/5A 金牌仔的佳配

原帖由 ya 于 2008-5-10 17:00:00 发表
这台怎样?


老Rogers胆机,不知用什么管子的,兄弟是否可以介绍一下这机?
AUDIO NOTE AN-CD2
AUDIO NOTE  SORO
SPENDOR  LS3/5A
TOP
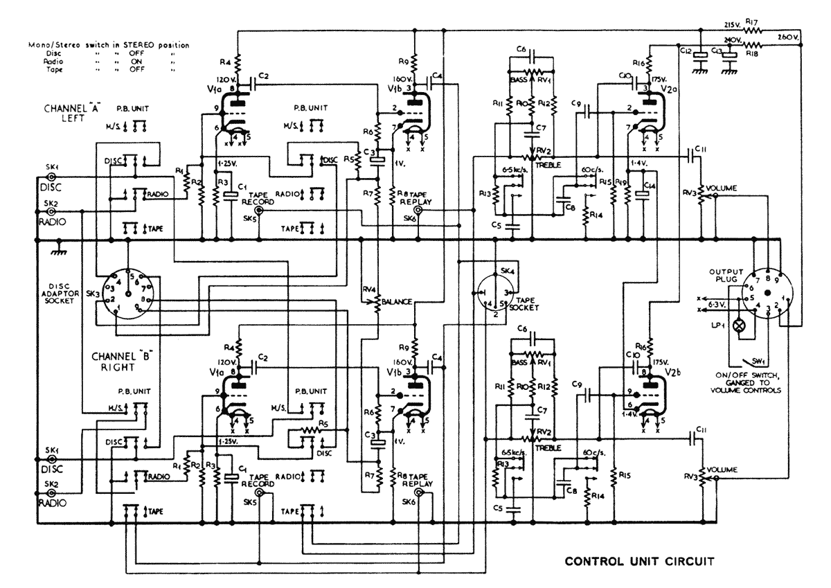
60#

回复: 寻找Rogers LS3/5A 金牌仔的佳配

老ROGERS电路图
Rogers1.gif (, 下载次数:70)

gif(2008/5/11 21:18:07 上传)

Rogers1.gif

Rogers2.gif (, 下载次数:74)

gif(2008/5/11 21:18:07 上传)

Rogers2.gif

Rogers3.gif (, 下载次数:55)

gif(2008/5/11 21:18:07 上传)

Rogers3.gif

TOP
发新话题 回复该主题