发烧论坛

注册

 

发新话题 回复该主题

咸魚翻生 [复制链接]

查看: 19676|回复: 69
11#

冬天到,霉香咸魚正合时........现在是咸魚贵过鸡..顶一下咸魚
退烧也是一种平衡.....
TOP
12#

回复 10# cpyip 的帖子

漏電的濾波電容,串了1K電阻,按在DC80V左右半波整流上,約20分鍾,哈哈,竟然可自動複原。接着煲一晚上,安全度過。
再用電容表測:都是1300微法以上。
当焊回去此ITT電容,初步印象:明顯音色變厚,兩端申展不錯。看來鬼佬網講的不要輕易換其他電容,很有道理呀。
最后编辑cpyip 最后编辑于 2009-01-02 19:30:26
※有誤導時,敬請行家指正!
TOP
13#

回复 12# cpyip 的帖子

有趣的事情
原來有一邊聲音暖和的,而另一邊是冷冷的。當調整功放偏流時,才發現冷冷的偏流過小,經查原來其中一隻二極管内部短路。修好後,左右聲道都可達到線路上要求的30ma。所以偏流正常時的味道オ像膽味,散熱片上是溫溫的。
最后编辑cpyip 最后编辑于 2009-01-02 19:32:46
※有誤導時,敬請行家指正!
TOP
14#

称赞一下!!!
TOP
15#

回复 14# gdhzdym2 的帖子

謝謝支持!
※有誤導時,敬請行家指正!
TOP
16#

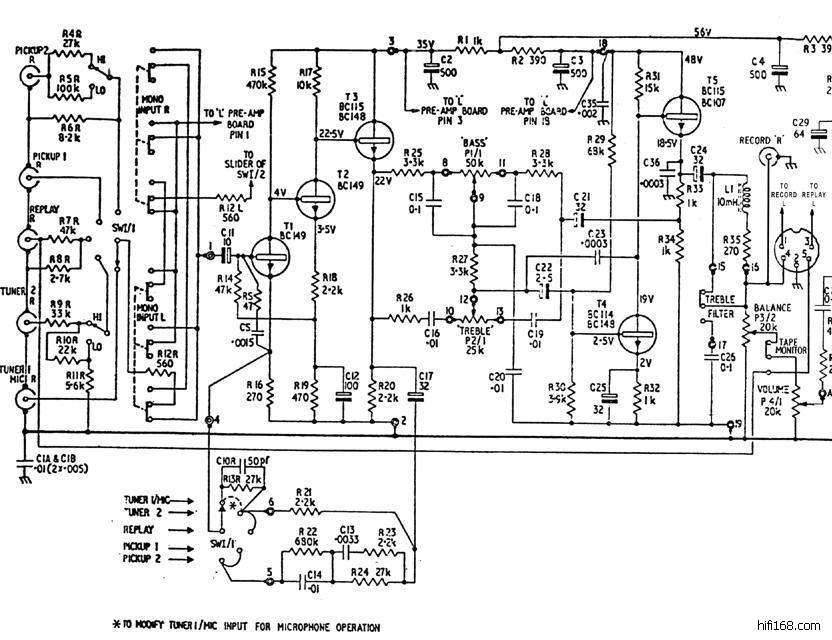
NOISE大的修理过程--要用示波器

用示波器接在OUTPUT(啦叭)端(可以不接负载),音量最大,示波器灵敏度设最高5mv/div,好的声道没有反映,呈一直线;不好的声道有反映,呈不规则的杂波。
据估计,原子粒变质的可能性大,由后向前更换原子粒。。。。换到T2时,波形已由杂波变為直线!
终於修好了,
(提醒大家,胆机一定接负载オ可通电。)
pre.JPG (, 下载次数:481)

jpg(2009/1/2 19:38:38 上传)

pre.JPG

最后编辑cpyip 最后编辑于 2009-01-02 19:38:37
※有誤導時,敬請行家指正!
TOP
17#

哇!!!执返条发毛咸鱼,执返正D骨再煲过,依然甘好味!星爷话斋:你好“更”,殷敬殷敬!
TOP
18#

线路板可以拔出,方便修理!
DSC_00071.JPG (, 下载次数:393)

jpg(2009/1/3 8:30:15 上传)

DSC_00071.JPG

最后编辑cpyip 最后编辑于 2009-01-03 08:30:14
※有誤導時,敬請行家指正!
TOP
19#

以下照片:亦可见到黑色的牛。
P1010031.JPG (, 下载次数:386)

jpg(2009/1/3 9:05:27 上传)

P1010031.JPG

最后编辑cpyip 最后编辑于 2009-01-03 09:05:27
※有誤導時,敬請行家指正!
TOP
20#

这台机的年龄可能比不少168的朋友还大!!!

当年国内可很少人拥有这样一台宝贝机子的,配开盘机是门当户对。
TOP
发新话题 回复该主题