发烧论坛

注册

 

发新话题 回复该主题

高阶版唱放 [复制链接]

查看: 15113|回复: 65
1#
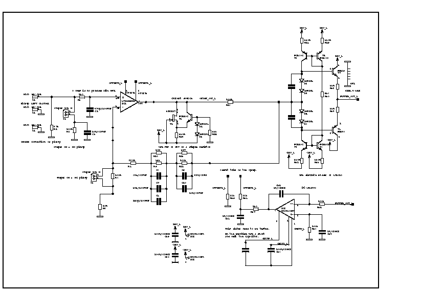
MM/MC
6 档阻抗(MC)及 4 档电容(MM)选择
回输式 RIAA
伺服直流
甲类 JFET 偏压输出级
CR 式滤波列阵
双单声道架构
分体电源双牛

建基在 RIAA 曲线的频率响应:  20 Hz - 20 KHz, +/-0.1dB
底噪: 120 nV
讯噪比: 101dB(MM)、81dB(MC)
动态: 134dB(MM)、114 dB(MC)
失真: < 0.001 %
电压转换速率: 20 V/us
增益: 40 dB(MM)、62 dB(MC)
输入阻抗: MM - 47K 搭470pF/220pF/100pF/47pF、MC - 10/30/100/200/1K/22K 搭 10nF
输出阻抗: 600 欧
输出电流: 1 A(BD139/BD140 甲类)
功率带宽: 0 Hz - 190 KHz,-3 dB(10 Vrms)
PICT0888.jpg (, 下载次数:1)

jpg(2009/10/23 14:45:07 上传)

PICT0888.jpg

PICT0889.jpg (, 下载次数:1)

jpg(2009/10/23 14:45:07 上传)

PICT0889.jpg

PICT0890.jpg (, 下载次数:1)

jpg(2009/10/23 14:45:07 上传)

PICT0890.jpg

qsxm3r0schema_p1.gif (, 下载次数:5)

gif(2009/10/23 14:45:07 上传)

qsxm3r0schema_p1.gif

分享 转发
联城众志志成城;
盟约立誓比天高;
音韵悠扬飘袅袅;
响彻云霄照九州!
【走向国际,努力尊定「中国声」标准!】
TOP
2#

好东西,顶。
每日烧一烧  生命更发烧
TOP
3#

强大。。。。
CLK发烧信号线!
淘宝: http://shop35466467.taobao.com
TOP
4#

顶威马~~~~等试用~~~
音乐与生活

TOP
5#

原帖由 hpstudio 于 2009-10-23 14:53:00 发表
顶威马~~~~等试用~~~


我都咁话。。。。。。
TOP
6#

测试好了,又是等机箱,最近都是给机箱厂忽悠。。。。。

来多下天下独一自用陪陪葬品
0863.jpg (, 下载次数:0)

jpg(2009/10/23 15:09:28 上传)

0863.jpg

联城众志志成城;
盟约立誓比天高;
音韵悠扬飘袅袅;
响彻云霄照九州!
【走向国际,努力尊定「中国声」标准!】
TOP
7#

高阶版唱放?
吾通

高阶=高价?????
TOP
8#

支持威马,我们有耳福了。
您的时间在那里,您的成功就在那里!
TOP
9#

看技术指标颇为诱人,顶顶。
最愛奚秀蘭並因奚秀蘭而發燒
我發表的以奚秀蘭爲主題的重要帖子的鏈結:http://post.baidu.com/f?kw=%DE%C9%D0%E3%C0%BC
TOP
10#

前段时间在胆艺轩看到有个疯狂的烧友在造一台70公斤重的钢铁唱盘,很想下手组建我的第一套LP。有了wilmer先生的这个唱放,又勾起了建LP的邪念。
TOP
发新话题 回复该主题