帐号
注册
密码
登录
关闭
安全选项
找回密码
记住我
我的中心
登录或注册新用户,开通自己的个人中心
HIFI168首页
快速搜索
帖子标题
作者
版块
发烧论坛
»
发烧专区
»
HiFi乐趣
»
这个功放电路如何
发烧专区
HiFi乐趣
音乐唱片
器材用家专区
在线试听
交易论坛
硬件交易
软件交易
返回列表
查看:
3269
|
回复:
7
这个功放电路如何
[复制链接]
查看:
3269
|
回复:
7
发送短消息
UID
161680
精华
0
查看公共资料
搜索主题
搜索帖子
andysony008
组别
论坛发烧友
生日
帖子
8
积分
8
性别
注册时间
2010-08-03
andysony008
论坛发烧友
1
#
字体大小:
t
T
发表于
2010-09-03 16:47
|
只看楼主
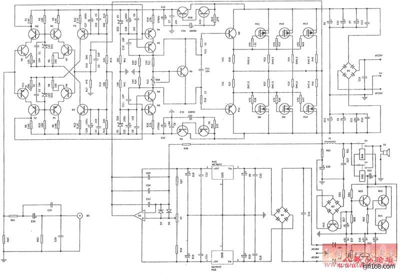
http://dogp.5d6d.com/userdirs/1/2/dogp/attachments/month_0806/20080617_1be81bd83f281cefdf8ayNVEN2TZbqbn.jpg
我想取消掉输入级恒流源管,是否直接用电阻取代? 电阻值是多少了?
A-19DC.jpg
(, 下载次数:0)
jpg
(2010/9/5 10:38:21 上传)
andysony008 最后编辑于 2010-09-05 10:38:21
分享
转发
TOP
发送短消息
UID
164602
精华
0
查看公共资料
搜索主题
搜索帖子
音乐之都
音乐之都
组别
论坛学士
生日
帖子
112
积分
112
性别
注册时间
2010-09-07
音乐之都
论坛学士
2
#
字体大小:
t
T
发表于
2010-09-07 15:14
|
只看该用户
回复 1# andysony008 的帖子
可以取消的,但就要通过试验才能选到最佳阻值.
取消后会让音质变差一些,
自然之声。。。。。。
TOP
发送短消息
UID
135525
精华
0
查看公共资料
搜索主题
搜索帖子
喜有此李
组别
论坛发烧友
生日
帖子
9
积分
9
性别
注册时间
2009-04-16
喜有此李
论坛发烧友
3
#
字体大小:
t
T
发表于
2010-09-07 15:52
|
只看该用户
用欧姆定律
电阻值=电源电压(C33两端电压)/恒流源的电流值
TOP
发送短消息
UID
163295
精华
14
查看公共资料
搜索主题
搜索帖子
BOM标志
组别
论坛博士后
生日
帖子
5326
积分
8190
性别
注册时间
2010-08-20
BOM标志
论坛博士后
4
#
字体大小:
t
T
发表于
2010-09-10 15:11
|
只看该用户
见人见知,个人认为看图还有改进的地方。自己喜欢算了。
TOP
发送短消息
UID
161680
精华
0
查看公共资料
搜索主题
搜索帖子
andysony008
组别
论坛发烧友
生日
帖子
8
积分
8
性别
注册时间
2010-08-03
andysony008
论坛发烧友
5
#
字体大小:
t
T
发表于
2010-09-11 00:14
|
只看楼主
还有就是这个电路如何调输入差分级的静态电流,因为我觉得声低薄了些,是否调输入级那两个稳压2极管?可否用电阻代替?是增加阻值还是减少阻值?
TOP
发送短消息
UID
161680
精华
0
查看公共资料
搜索主题
搜索帖子
andysony008
组别
论坛发烧友
生日
帖子
8
积分
8
性别
注册时间
2010-08-03
andysony008
论坛发烧友
6
#
字体大小:
t
T
发表于
2010-09-11 13:43
|
只看楼主
怎么就没有人懂啊!还是没有看到帖子?
TOP
发送短消息
UID
71468
精华
13
ww_cable@hotmail.com
348783441
查看公共资料
搜索主题
搜索帖子
Wilmer威馬
Wilmer威馬
组别
论坛博士后
生日
1968-6-29
帖子
12153
积分
12713
性别
注册时间
2002-10-04
Wilmer威馬
论坛博士后
7
#
字体大小:
t
T
发表于
2010-09-11 14:24
|
只看该用户
你还是去 diy 网问吧,这里 diy 不是主流。
联城众志志成城;
盟约立誓比天高;
音韵悠扬飘袅袅;
响彻云霄照九州!
【走向国际,努力尊定「中国声」标准!】
TOP
发送短消息
UID
164092
精华
0
查看公共资料
搜索主题
搜索帖子
sgsm
组别
禁止 IP
生日
帖子
7
积分
7
性别
注册时间
2010-09-02
sgsm
禁止 IP
8
#
字体大小:
t
T
发表于
2010-09-11 14:58
|
只看该用户
该用户帖子内容已被屏蔽
TOP
上一主题
|
下一主题
返回列表
高级编辑器
B
Color
Image
Link
Quote
Code
Smilies
默认表情
你需要登录后才可以发帖
登录
|
注册
发表回复
查看背景广告
隐藏
发新主题
发烧专区
HiFi乐趣
音乐唱片
器材用家专区
在线试听
交易论坛
硬件交易
软件交易
浏览过的版块
硬件交易
音乐唱片
器材用家专区
TOP
设置头像
个人资料
更改密码
用户组
收藏夹
积分