发烧论坛

注册

 

发新话题 回复该主题

发布一个具有里程碑意义的电路发明 [复制链接]

查看: 14701|回复: 40
21#

原帖由 winsonng 于 2013-10-13 23:24:00 发表
恒流源负载早应用了,不知道是谁的里程碑?

       可惜的是没有将其用好、用尽,一般只用于驱动级,没有将其用在前端放大控制级,而且其后续电路的输入阻抗没能与恒流高输出阻抗相匹配,所以其性能大打折扣优势没能体现出来。本发明的恒流放大架构是实现高性能、高音质的最佳途径,是今后传真音响设计必用的电路架构。
      传统电路为了多级闭环放大电路能够稳定工作,一般放大器均工作在欠激励状态,声乐表现放不开。而本电路架构可以用最少的放大级数最简洁的电路结构使其稳定工作在过激励和欠激励之间的临界状态,还原的声乐具有自然的鲜活感。
       用最简洁的电路来获得最低的失真不是大家孜孜以求的吗?这就是本发明能够做到的。根据实验结果,今后放大器的放大倍数只要根据系统的功率要求设定,无需对信号做过多的放大,即可以降低失真,又可以将音量电位器开到最大,限制了信号的最大输出幅度提高了安全性。由于本电路的超线性信号处理能力,在不同的音量下均有绝佳的表现力,不会出现传统电路的音量电位器在不同的位置有不同音效的现象。
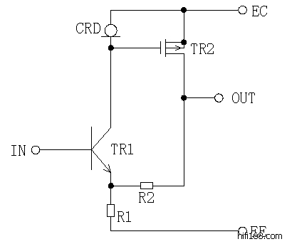
应用示意图1.jpg (, 下载次数:0)

jpg(2013/10/17 16:53:38 上传)

应用示意图1.jpg

应用示意图2.jpg (, 下载次数:0)

jpg(2013/10/17 16:53:38 上传)

应用示意图2.jpg

TOP
22#

音响的球门被临门一脚破了,可是被裁判看成是手球,不算!呵呵
TOP
23#

曲高和寡,高处不胜寒!
TOP
24#

原帖由 阿杜 于 2013-10-22 11:44:00 发表
曲高和寡,高处不胜寒!

我一直在思考您的电路思想,近段时间我在作作级,很多电路作了又改。最近将电路就变成了与你的电路差不多了。真好!
曲高和寡,确实这样!
TOP
25#

示意图1的TR2的箭头又没有画错?
TOP
26#

狂顶一下高处的里程碑
3L-Audio Studio, established since 1993, has been dedicated to Hi-Fi audio R&D for over 20 years.
TOP
27#

回复 25# bing 的帖子

应该没有错P勾道的MOS管。
TOP
28#

不好意思,也许我有自虐倾向,一直在看各种神棍、大神的表演,今天实在无法忍受了,再次告别168论坛了~~~各位大神们,你们继续表演吧
TOP
29#

原帖由 wymwym999 于 2013-10-23 8:54:00 发表
不好意思,也许我有自虐倾向,一直在看各种神棍、大神的表演,今天实在无法忍受了,再次告别168论坛了~~~各位大神们,你们继续表演吧

草率了你绝对会后悔的!然后还会回来的。
TOP
30#

原帖由 wymwym999 于 2013-10-23 8:54:00 发表
不好意思,也许我有自虐倾向,一直在看各种神棍、大神的表演,今天实在无法忍受了,再次告别168论坛了~~~各位大神们,你们继续表演吧

凡新生事物都会有正反两方面的反应,这很正常,在此本人非常感谢大家的坦诚直言。对于具有较高专业技术背景且有研究者,或对放大器的缺陷有深切体会的资深音响迷比较容易接受文中的观点。
本发明理论上可以应用于所有的闭环放大器的前端,只需要对电路的元件及参数做适当的调整,在此再发两个电路应用示意图供参考。
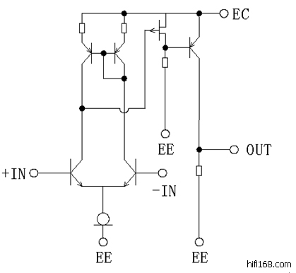
差分应用1.jpg (, 下载次数:11)

jpg(2013/10/28 7:21:47 上传)

差分应用1.jpg

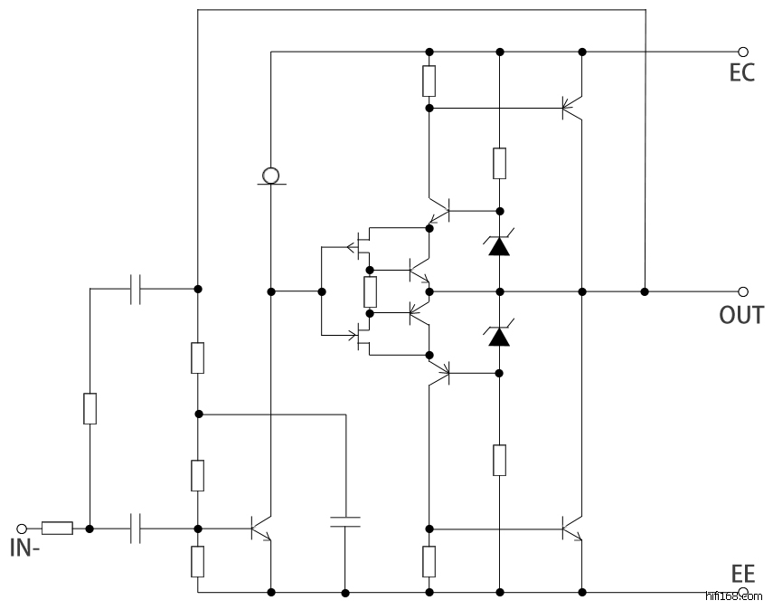
功率放大1.jpg (, 下载次数:0)

jpg(2013/10/28 7:21:47 上传)

功率放大1.jpg

TOP
发新话题 回复该主题