帐号
注册
密码
登录
关闭
安全选项
找回密码
记住我
我的中心
登录或注册新用户,开通自己的个人中心
HIFI168首页
快速搜索
帖子标题
作者
版块
发烧论坛
»
发烧专区
»
HiFi乐趣
»
关于音箱阻抗匹配器的疑问
发烧专区
HiFi乐趣
音乐唱片
器材用家专区
在线试听
交易论坛
硬件交易
软件交易
返回列表
查看:
5331
|
回复:
9
关于音箱阻抗匹配器的疑问
[复制链接]
查看:
5331
|
回复:
9
发送短消息
UID
206782
精华
0
查看公共资料
搜索主题
搜索帖子
emergency
组别
论坛博士
生日
帖子
39
积分
214
性别
注册时间
2011-09-08
emergency
论坛博士
1
#
字体大小:
t
T
发表于
2018-01-08 14:06
|
只看楼主
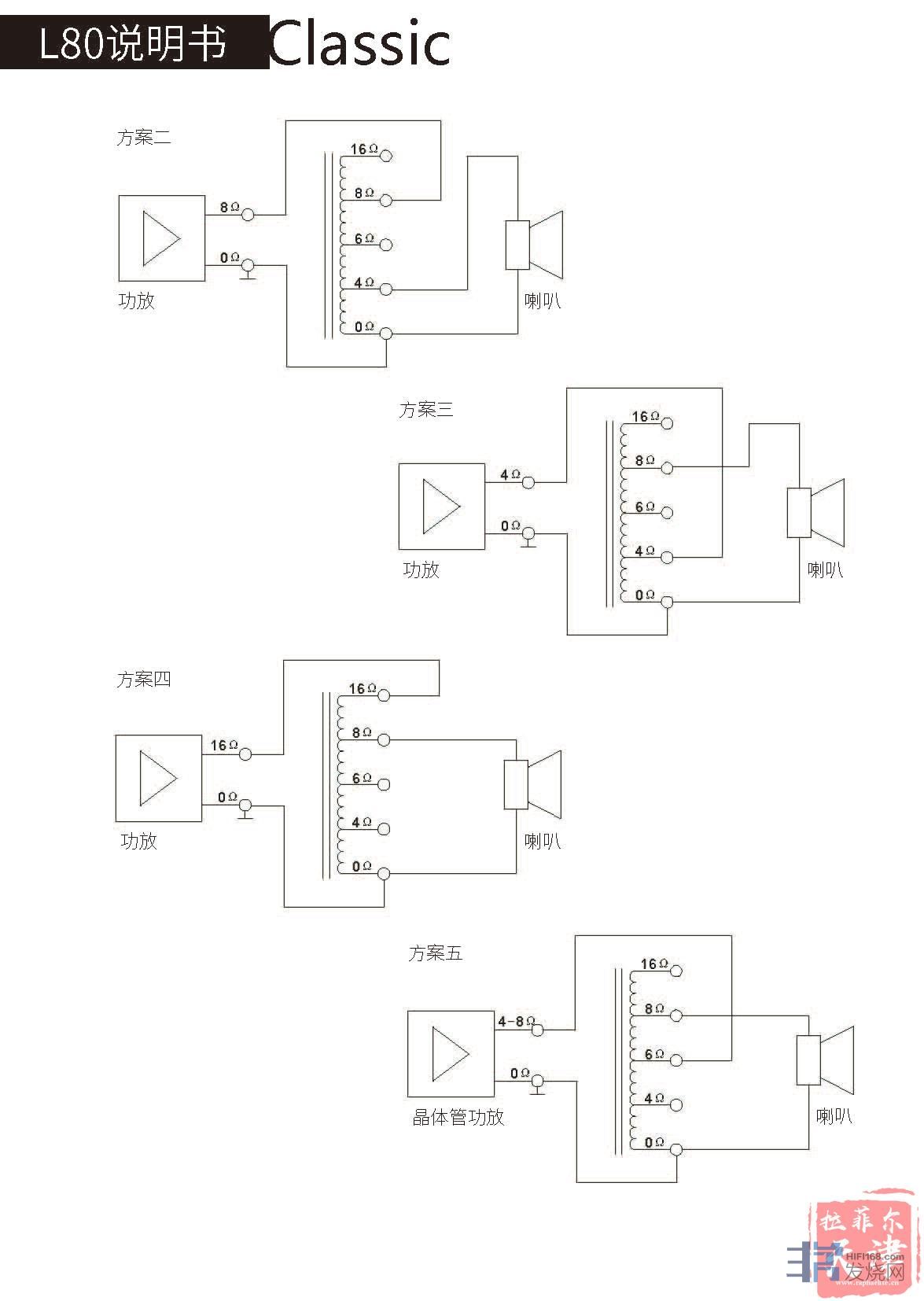
以前在上网的时候看见一种叫音箱阻抗匹配器的东西,也叫自耦阻抗匹配变压器,据介绍是帮助功放和音箱匹配的用途,能更好的让功放驱动音箱。本质上就是一种变压器,就是一种输出变压器。如果是这样的话,我们在功放后级接一个输出变压器而后再接音箱,那岂不是可以提高功放的驱动力?望有这方面经验的同好探讨一下。我贴一张网上的图片。
TB2M3w.qpXXXXc9XpXXXXXXXXXX_!!41275974.jpg
(, 下载次数:0)
(2018/1/8 14:06:38 上传)
分享
转发
TOP
发送短消息
UID
206782
精华
0
查看公共资料
搜索主题
搜索帖子
emergency
组别
论坛博士
生日
帖子
39
积分
214
性别
注册时间
2011-09-08
emergency
论坛博士
2
#
字体大小:
t
T
发表于
2018-01-08 14:10
|
只看楼主
原有的介绍。
1.jpg
(, 下载次数:0)
(2018/1/8 14:10:01 上传)
2.jpg
(, 下载次数:0)
(2018/1/8 14:10:01 上传)
3.jpg
(, 下载次数:0)
(2018/1/8 14:10:01 上传)
4.jpg
(, 下载次数:0)
(2018/1/8 14:10:01 上传)
TOP
发送短消息
UID
206782
精华
0
查看公共资料
搜索主题
搜索帖子
emergency
组别
论坛博士
生日
帖子
39
积分
214
性别
注册时间
2011-09-08
emergency
论坛博士
3
#
字体大小:
t
T
发表于
2018-01-08 14:10
|
只看楼主
贴图介绍
emergency 最后编辑于 2018-01-08 14:30:16
TOP
发送短消息
UID
206782
精华
0
查看公共资料
搜索主题
搜索帖子
emergency
组别
论坛博士
生日
帖子
39
积分
214
性别
注册时间
2011-09-08
emergency
论坛博士
4
#
字体大小:
t
T
发表于
2018-01-08 14:11
|
只看楼主
.......
emergency 最后编辑于 2018-01-08 14:30:53
TOP
发送短消息
UID
206782
精华
0
查看公共资料
搜索主题
搜索帖子
emergency
组别
论坛博士
生日
帖子
39
积分
214
性别
注册时间
2011-09-08
emergency
论坛博士
5
#
字体大小:
t
T
发表于
2018-01-08 14:12
|
只看楼主
[attachimg]631580[/attachimg]
emergency 最后编辑于 2018-01-08 14:29:23
TOP
发送短消息
UID
74722
精华
85
58041989
查看公共资料
搜索主题
搜索帖子
clk
-面向未来-
组别
论坛博士后
生日
帖子
35244
积分
45400
性别
注册时间
2002-11-09
clk
论坛博士后
6
#
字体大小:
t
T
发表于
2018-01-08 14:15
|
只看该用户
胆机一般有阻抗匹配,石机相对少见,常见都是4-16欧。
CLK发烧信号线!
淘宝:
http://shop35466467.taobao.com
TOP
发送短消息
UID
206782
精华
0
查看公共资料
搜索主题
搜索帖子
emergency
组别
论坛博士
生日
帖子
39
积分
214
性别
注册时间
2011-09-08
emergency
论坛博士
7
#
字体大小:
t
T
发表于
2018-01-08 14:23
|
只看楼主
这种匹配器就是应用于石机的,改善后级的控制力。
emergency 最后编辑于 2018-01-08 14:24:31
TOP
发送短消息
UID
206782
精华
0
查看公共资料
搜索主题
搜索帖子
emergency
组别
论坛博士
生日
帖子
39
积分
214
性别
注册时间
2011-09-08
emergency
论坛博士
8
#
字体大小:
t
T
发表于
2018-01-08 14:28
|
只看楼主
研究了一下,就是类似胆机的输出变压器。如果真有改善的话,我们在后级接一个输出变压器就能大幅提高音质,岂不美哉!
TOP
发送短消息
UID
206782
精华
0
查看公共资料
搜索主题
搜索帖子
emergency
组别
论坛博士
生日
帖子
39
积分
214
性别
注册时间
2011-09-08
emergency
论坛博士
9
#
字体大小:
t
T
发表于
2018-01-08 14:50
|
只看楼主
声明一下:不是广告贴。
我只是好奇这种改善驱动力的方式,可以达到成本小、效果大的好处。可以像断开空开、加地盒这样有效果投资少的玩法。
TOP
发送短消息
UID
206782
精华
0
查看公共资料
搜索主题
搜索帖子
emergency
组别
论坛博士
生日
帖子
39
积分
214
性别
注册时间
2011-09-08
emergency
论坛博士
10
#
字体大小:
t
T
发表于
2018-01-10 15:23
|
只看楼主
奇怪,没人这样玩法吗?
TOP
上一主题
|
下一主题
返回列表
高级编辑器
B
Color
Image
Link
Quote
Code
Smilies
默认表情
你需要登录后才可以发帖
登录
|
注册
发表回复
查看背景广告
隐藏
发新主题
发烧专区
HiFi乐趣
音乐唱片
器材用家专区
在线试听
交易论坛
硬件交易
软件交易
浏览过的版块
硬件交易
音乐唱片
软件交易
器材用家专区
TOP
设置头像
个人资料
更改密码
用户组
收藏夹
积分