帐号
注册
密码
登录
关闭
安全选项
找回密码
记住我
我的中心
登录或注册新用户,开通自己的个人中心
HIFI168首页
快速搜索
帖子标题
作者
版块
发烧论坛
»
发烧专区
»
HiFi乐趣
»
请教隔离牛如何接
发烧专区
HiFi乐趣
音乐唱片
器材用家专区
在线试听
交易论坛
硬件交易
软件交易
返回列表
1
2
3
4
下一页
查看:
11736
|
回复:
72
请教隔离牛如何接
[复制链接]
查看:
11736
|
回复:
72
发送短消息
UID
70686
精华
0
查看公共资料
搜索主题
搜索帖子
asdffx
asdffx
组别
论坛博士
生日
19720110
帖子
379
积分
397
性别
注册时间
2005-10-28
asdffx
论坛博士
1
#
字体大小:
t
T
发表于
2008-07-29 18:03
|
显示全部
回复:请教隔离牛如何接
这个我玩过,很多种玩法的,最好是接成平衡式。(其实A入和B入都可以的。)
我记得我那时候的接法是
以230V输入电压,输出230电压为例。
B端,4.5短接
1,8接火零
A端,10和11短接,并接地,同时做输出的接地线
9和12各做火,零(或者叫双火线吧,每边各带115V)
另外三个屏蔽都要接好地,不然会减少隔离牛的效用的。
asdffx 最后编辑于 2008-07-29 18:25:29
分享
转发
Aerofoam 吸声海绵 可代替3m Thinsulate 新雪丽,美国Auralex
taobao:http://micro-new.taobao.com/
weibo:http://weibo.com/asdffx
TOP
发送短消息
UID
70686
精华
0
查看公共资料
搜索主题
搜索帖子
asdffx
asdffx
组别
论坛博士
生日
19720110
帖子
379
积分
397
性别
注册时间
2005-10-28
asdffx
论坛博士
2
#
字体大小:
t
T
发表于
2008-07-29 18:28
|
显示全部
回复: 请教隔离牛如何接
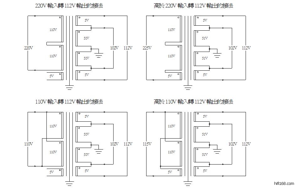
可以参考一下这个图,大概原理是一样的,有很多接法的。
isopt10gi.jpg
(130.39 K)
2008/7/29 18:28:19
Aerofoam 吸声海绵 可代替3m Thinsulate 新雪丽,美国Auralex
taobao:http://micro-new.taobao.com/
weibo:http://weibo.com/asdffx
TOP
发送短消息
UID
70686
精华
0
查看公共资料
搜索主题
搜索帖子
asdffx
asdffx
组别
论坛博士
生日
19720110
帖子
379
积分
397
性别
注册时间
2005-10-28
asdffx
论坛博士
3
#
字体大小:
t
T
发表于
2008-07-31 23:57
|
显示全部
回复:请教隔离牛如何接
没有什么影响的
Aerofoam 吸声海绵 可代替3m Thinsulate 新雪丽,美国Auralex
taobao:http://micro-new.taobao.com/
weibo:http://weibo.com/asdffx
TOP
上一主题
|
下一主题
返回列表
1
2
3
4
下一页
高级编辑器
B
Color
Image
Link
Quote
Code
Smilies
默认表情
你需要登录后才可以发帖
登录
|
注册
发表回复
查看背景广告
隐藏
发新主题
发烧专区
HiFi乐趣
音乐唱片
器材用家专区
在线试听
交易论坛
硬件交易
软件交易
浏览过的版块
硬件交易
音乐唱片
器材用家专区
TOP
设置头像
个人资料
更改密码
用户组
收藏夹
积分