发烧论坛

注册

 

发新话题 回复该主题

我DAC之迷惑--I2S [复制链接]

查看: 4233|回复: 16
11#

回复: 我DAC之迷惑

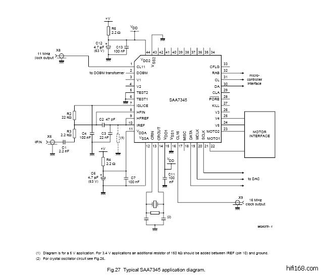
可看到7345的照片:R414、R415、R416分别为P21、P20、P19。(电阻未焊)
主振由C421进入P13(CRIN)。(本板无晶振,晶体安在另一板上)
7345.jpg (, 下载次数:72)

jpg(2007/10/7 11:25:04 上传)

7345.jpg

照片 135.jpg (, 下载次数:66)

jpg(2007/10/7 11:25:04 上传)

照片 135.jpg

※有誤導時,敬請行家指正!
TOP
12#

回复:我DAC之迷惑

原来主振16.934MHZ由74AC04完成,经150欧电阻与C421电容进入P13的。

也可以這样講:這部SF CD TRANSPORT,已有埋伏I2S,只是沒发挥而已!
最后编辑cpyip 最后编辑于 2007-10-07 11:52:53
※有誤導時,敬請行家指正!
TOP
13#

回复:我DAC之迷惑

原来主振16.934MHZ由74AC04完成,经150欧电阻与C421电容进入P13的。

也可以這样講:這部SF CD TRANSPORT,已有埋伏I2S,只是沒发挥而已!
※有誤導時,敬請行家指正!
TOP
14#

回复:我DAC之迷惑--I2S

SFT1里面一排线中间空着留给I2S用(原来全部有线驳的),刚刚试听:这样并不影响原来操作。
下步试试从中取I2S!希望成功啦!
照片 136.jpg (, 下载次数:80)

jpg(2007/10/10 18:42:38 上传)

照片 136.jpg

※有誤導時,敬請行家指正!
TOP
15#

回复:我DAC之迷惑--I2S

目前为止,I2S转输还沒有统一标准,接头用RJ45,MINI DN,13W3等,这对我们DIY倒无所谓了。
我现在还沒肯定的是PIN5,叫DEM,估计是de-emphasis的意思。按7345的定义,应由V5给出。就不知我那SFT1有沒有定义了这条PIN。如有那就可以试了。
TOP
16#

回复:我DAC之迷惑--I2S

目前为止,I2S转输还沒有统一标准,接头用RJ45,MINI DN,13W3等,这对我们DIY倒无所谓了。
我现在还沒肯定的是PIN5,叫DEM,估计是de-emphasis的意思。按7345的定义,应由V5给出。就不知我那SFT1有沒有定义了这条PIN。如有那就可以试了。
TOP
17#

回复: 我DAC之迷惑--I2S

用示波器觀察,MCLK始終做不好,可能要用特別的脉冲牛オ做到,下次找到這種牛時才繼續試。
手头有个16PT8515(如下图),用TX那部分,試試看?还有另一个想法,用HP的光偶合器件了:以前玩过代替spdif中的脉冲牛,效果不错。
未命名.JPG (, 下载次数:72)

jpg(2007/10/28 8:29:24 上传)

未命名.JPG

※有誤導時,敬請行家指正!
TOP
发新话题 回复该主题