发烧论坛

注册

 

返回列表 «1112131415161718» / 22
发新话题 回复该主题

高品质电子分频有源音响系统制作教程DIR [复制链接]

查看: 167481|回复: 219
141#

回复: 高品质电子分频有源音响系统制作教程DIR





TOP
142#

回复:高品质电子分频有源音响系统制作教程DIR

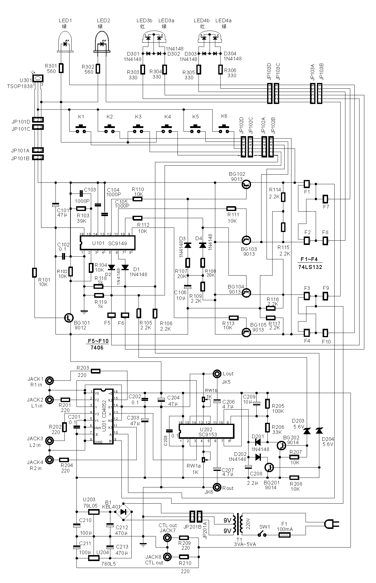
以上是音控资料
TOP
143#

回复:高品质电子分频有源音响系统制作教程DIR

我也来学习.....
TOP
144#

回复:高品质电子分频有源音响系统制作教程DIR

强烈支持并表达敬意!如此无私奉献和有点小伎俩就如获至宝的小JS比,那真是天上地下之别。
TOP
145#

回复:高品质电子分频有源音响系统制作教程DIR

谢谢各位捧场!主要是目前的音响市场太萧条,希望提供这些设计资料促进音响市场发展起来。中国的音响市场一直都是有发烧友推动着,厂家不过是看到市场有赚头才参与进来掀一把。

在中国音响DIR网站看到一个机箱设计图,很漂亮,特以它设计了一份外观效果图供大家参考。
TOP
146#

回复: 高品质电子分频有源音响系统制作教程DIR

TOP
147#

回复: 高品质电子分频有源音响系统制作教程DIR

关于听感上的速度快慢误区纠正
有人说LM3886的表现好在速度上,这乃是一个十分错误的理解。
须知道,在音源不变的情况下用不同功放进行重放,同一声音的播发速度都完全相同!人们在听觉上产生出的快慢不同感受,其实是因为失真程度不同,导致人体听觉神经处理起来的容易程度差异表现。请了解一点基本常识:人体听觉神经对和谐的声音处理起来很容易,对不和谐的声音处理起来比较困难。而对某些声音根本就不愿接受,例如用金属小勺刮搪瓷碗发出的声音,就会使人感觉如同牙齿要掉落的难受!人们不会去制作发出使人难受的乐器,能够发出使人难受声音的东西属于刑具或伤人的声音武器。所以,无论是木管乐,弓弦乐、铜管乐,还是打击乐,都是把使人感觉舒服作为创作目标。对和谐自然的习惯声音,人体听觉神经能轻松自如的处理,感觉上就显得慢。而对不和谐的刺激声音或似是而非的混浊声音,人体听觉神经首先是分辨那是什么物体发出的声音。当人体听觉神经系统长时间处于先要分辨出那是什么物体发出的声音状况下,就来不及处理听到的声音细节,于是声音的变化就超过人体的听觉神经反应速度,感觉上就会显得快。原本和谐自然的铜管乐或交响乐,由于重放失真严重或混进了杂乱“嚓嚓”声时,人体听觉神经系统就处于总是先要分辨出那是什么物体发出的声音状况下,来不及处理声音细节,于是就会以为声音被加快了变化速度。明明是功重放系统存在严重缺陷,反而被不知真相的未入门道者当成了优点。而那些不动装懂的胆机玩家经常发表用不同器材会有不同的播发速度外行话,从而被某些从事“枪手”职业的人士利用来误导蒙蔽学业不精的大众。
请记住,器件具有的转换速率只影响重放声音带宽,不会对声音的重放快慢产生影响。转换速率低,意味着高声频将被衰减,泛音会受影响。从器件特性上来看,大功率场效应管的开关速度在几十ns级,比大功率三级管要快至少1个数量级,完全可以做出几百KHz频响的功率放大器。由于实际上没有这个必要,一般只把频带上端做到50KHz~80KHz。使用大功率三级管制造功率放大器,用国产3DD6、3DD15大功率三级管制作的功率放大器频带上端仅能达到6KHz,而且输出功率在15W之内。到80年代中期,随便用当时最一般的进口集成功放,如HA1392双功放IC,频带上端就达到16KHz,输出功率也达到6W+6W,以BTL方式推8欧喇叭可达12W。HA1392很好用,但有一个弱点,电源接反立即损坏。后来推出的TDA2030要求在正负电源端到输出中点反向并接二极管,主要作用就是避免电源接反时损坏IC。在TDA2030A推出后,集成功放的频带上端已达到150KHz,远远超过重放声音的要求。日本推出专用于音频功放的“三肯牌”大功率三级管后,用分离元件制作的功率放大器频带上端也已经远超过20KHz。在80年代,国产低频大功率三级管性能很差,虽然采用3AD型高频大功率三级管做功率放大器,频带上端能超过20KHz,但当时的高频大功率三级管只能输出0.5A电流,必须用多只并连使用,输出功率才能做大。而当时的国产高频大功率三级管价格很贵,正品在十几元以上。人们的月工资才50元左右,岂能玩的起。那时,高频大功率三级管主要是用在工厂设备中,如线切割机里的方波电脉冲电路,使用高频大功率三级管制作要用多达8块相同的板并联输出才能得到需要的4A电流!大功率场效应管正式推出后,我采用一只大功率场效应管就能输出更大的电流,而且波形更标准。设计要点是大功率场效应管有较大的结电容,需要有10mA的充放电流才能使之达到最高响应速度。而在制做音频功率发大器时,并未提供有足够的充放电流,才使它的频带上端只达到50KHz~80KHz。不是不能进一步提高,而是没有必要。如果需要输出10HKz方波电压的话,自然会采用相应的设计方式。简而言之,在额定输出状况下已经达到50KHz的正弦波,再提高频带上端毫无实际意义。决不会因为转换速率存在相差,就会使重放声音出现快慢区别。
NS公司的LM3886及其孪生双功放IC存在的问题是热保护误动作,具体反映为在输出信号中叠加上许多不规则的爆破“开花”杂波。以单一频率正弦波信号进行检测,用示波器观察可以发现输出的正弦波不再是清晰的曲线,而是在一到几个位置出现炸开的开花杂波,从喇叭可以听到明显的“嚓嚓”声。严重时波形一塌糊涂,“嚓嚓”声超过播放的声音只能关机。可惜98年做实验时没有把示波器上的观察图象拍成照片发表,才让NS公司的产品推销人员继续采用似是而非的自欺欺人方式蒙没有学好专业技术知识的大众上当。
LM3886推出已经有15年时间了,NS公司还不想办法研制出更好的功放IC,这是说不过去的事情。在90年代初还说的过去,那时非利普公司推出的TDA1514宣称能输出40W,实际连15W都超不过,超过就进行限制保护,而且是以关闭半波输出的方式使功耗降低下来。半波输出,喇叭还能发出声音,但很难听。LM3886比TDA1514表现要好,只要把散热器加巨大,或者做强制风冷或水冷处理,确保器件工作温度别升高超过60℃,LM3886即可正常工作,不发生热保护误动作。但是在SGS公司推出TDA7294系列产品功放之后,再叫人们这么干就不行了。保护功能再好,如果连起码的输出功率指标都达不到,又有何意义?


TOP
148#

回复:高品质电子分频有源音响系统制作教程DIR

关于听感上的速度快慢误区
有人说LM3886的表现好在速度上,这乃是一个十分错误的理解。
须知道,在音源不变的情况下用不同功放进行重放,同一声音的播发速度都完全相同!人们在听觉上产生出的快慢不同感受,其实是因为失真程度不同,导致人体听觉神经处理起来的容易程度差异表现。请了解一点基本常识:人体听觉神经对和谐的声音处理起来很容易,对不和谐的声音处理起来比较困难。而对某些声音根本就不愿接受,例如用金属小勺刮搪瓷碗发出的声音,就会使人感觉如同牙齿要掉落的难受!人们不会去制作发出使人难受的乐器,能够发出使人难受声音的东西属于刑具或伤人的声音武器。所以,无论是木管乐,弓弦乐、铜管乐,还是打击乐,都是把使人感觉舒服作为创作目标。对和谐自然的习惯声音,人体听觉神经能轻松自如的处理,感觉上就显得慢。而对不和谐的刺激声音或似是而非的混浊声音,人体听觉神经首先是分辨那是什么物体发出的声音。当人体听觉神经系统长时间处于先要分辨出那是什么物体发出的声音状况下,就来不及处理听到的声音细节,于是声音的变化就超过人体的听觉神经反应速度,感觉上就会显得快。原本和谐自然的铜管乐或交响乐,由于重放失真严重或混进了杂乱“嚓嚓”声时,人体听觉神经系统就处于总是先要分辨出那是什么物体发出的声音状况下,来不及处理声音细节,于是就会以为声音被加快了变化速度。明明是功重放系统存在严重缺陷,反而被不知真相的未入门道者当成了优点。而那些不动装懂的胆机玩家经常发表用不同器材会有不同的播发速度外行话,从而被某些从事“枪手”职业的人士利用来误导蒙蔽学业不精的大众。
请记住,器件具有的转换速率只影响重放声音带宽,不会对声音的重放快慢产生影响。转换速率低,意味着高声频将被衰减,泛音会受影响。从器件特性上来看,大功率场效应管的开关速度在几十ns级,比大功率三级管要快至少1个数量级,完全可以做出几百KHz频响的功率放大器。由于实际上没有这个必要,一般只把频带上端做到50KHz~80KHz。使用大功率三级管制造功率放大器,用国产3DD6、3DD15大功率三级管制作的功率放大器频带上端仅能达到6KHz,而且输出功率在15W之内。到80年代中期,随便用当时最一般的进口集成功放,如HA1392双功放IC,频带上端就达到16KHz,输出功率也达到6W+6W,以BTL方式推8欧喇叭可达12W。HA1392很好用,但有一个弱点,电源接反立即损坏。后来推出的TDA2030要求在正负电源端到输出中点反向并接二极管,主要作用就是避免电源接反时损坏IC。在TDA2030A推出后,集成功放的频带上端已达到150KHz,远远超过重放声音的要求。日本推出专用于音频功放的“三肯牌”大功率三级管后,用分离元件制作的功率放大器频带上端也已经远超过20KHz。在80年代,国产低频大功率三级管性能很差,虽然采用3AD型高频大功率三级管做功率放大器,频带上端能超过20KHz,但当时的高频大功率三级管只能输出0.5A电流,必须用多只并连使用,输出功率才能做大。而当时的国产高频大功率三级管价格很贵,正品在十几元以上。人们的月工资才50元左右,岂能玩的起。那时,高频大功率三级管主要是用在工厂设备中,如线切割机里的方波电脉冲电路,使用高频大功率三级管制作要用多达8块相同的板并联输出才能得到需要的4A电流!大功率场效应管正式推出后,我采用一只大功率场效应管就能输出更大的电流,而且波形更标准。设计要点是大功率场效应管有较大的结电容,需要有10mA的充放电流才能使之达到最高响应速度。而在制做音频功率发大器时,并未提供有足够的充放电流,才使它的频带上端只达到50KHz~80KHz。不是不能进一步提高,而是没有必要。如果需要输出10HKz方波电压的话,自然会采用相应的设计方式。简而言之,在额定输出状况下已经达到50KHz的正弦波,再提高频带上端毫无实际意义。决不会因为转换速率存在相差,就会使重放声音出现快慢区别。
NS公司的LM3886及其孪生双功放IC存在的问题是热保护误动作,具体反映为在输出信号中叠加上许多不规则的爆破“开花”杂波。以单一频率正弦波信号进行检测,用示波器观察可以发现输出的正弦波不再是清晰的曲线,而是在一到几个位置出现炸开的开花杂波,从喇叭可以听到明显的“嚓嚓”声。严重时波形一塌糊涂,“嚓嚓”声超过播放的声音只能关机。可惜98年做实验时没有把示波器上的观察图象拍成照片发表,才让NS公司的产品推销人员继续采用似是而非的自欺欺人方式蒙没有学好专业技术知识的大众上当。
LM3886推出已经有15年时间了,NS公司还不想办法研制出更好的功放IC,这是说不过去的事情。在90年代初还说的过去,那时非利普公司推出的TDA1514宣称能输出40W,实际连15W都超不过,超过就进行限制保护,而且是以关闭半波输出的方式使功耗降低下来。半波输出,喇叭还能发出声音,但很难听。LM3886比TDA1514表现要好,只要把散热器加巨大,或者做强制风冷或水冷处理,确保器件工作温度别升高超过60℃,LM3886即可正常工作,不发生热保护误动作。但是在SGS公司推出TDA7294系列产品功放之后,再叫人们这么干就不行了。保护功能再好,如果连起码的输出功率指标都达不到,又有何意义?
实验波形图见上效果图,有心者可以自己验证。千万别用错器件。
TOP
149#

回复:高品质电子分频有源音响系统制作教程DIR

配合HIEND喇叭单元,电子分频的系统几乎就是“不妥协”的设计,比起那些所谓的HIEND铭器来要强得多。
TOP
150#

回复:高品质电子分频有源音响系统制作教程DIR

再顶程老师!
168可能看不起这些“小”玩意,精华都不给?起码是一种无私的奉献呀。
TOP
发新话题 回复该主题