发烧论坛

注册

 

发新话题 回复该主题

【我为论坛作贡献】晶体管后级功放经典电路图集 [复制链接]

查看: 31031|回复: 58
21#

回复:【我为论坛作贡献】晶体管后级功放经典电路图集

卖油翁兄辛苦了!·
TOP
22#

回复:【我为论坛作贡献】晶体管后级功放经典电路图集

--------------------------------------------------------------
我用CD刻录机听音乐
TOP
23#

回复:【我为论坛作贡献】晶体管后级功放经典电路图集

能否对各电路作个评价,比拼一下,搞个DIY套件
TOP
24#

回复:【我为论坛作贡献】晶体管后级功放经典电路图集

欢迎继续上图,上图上图,于是一起上。建议置顶
TOP
25#

回复:【我为论坛作贡献】晶体管后级功放经典电路图集

有否”音乐之旅“的电源部分的动态电压的电路?
TOP
26#

回复:【我为论坛作贡献】晶体管后级功放经典电路图集

抱歉啊,暂时没找到
老夫老矣!!
TOP
27#

回复: 【我为论坛作贡献】晶体管后级功放经典电路图集


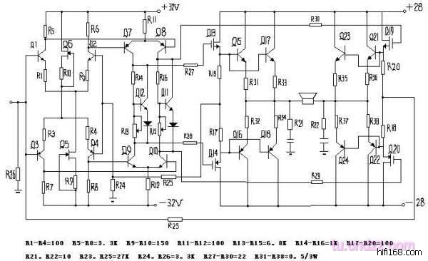
两级互补差分桥式功放
桥式功放.jpg (, 下载次数:343)

jpg(2007/12/6 16:06:47 上传)

桥式功放.jpg

老夫老矣!!
TOP
28#

回复: 【我为论坛作贡献】晶体管后级功放经典电路图集

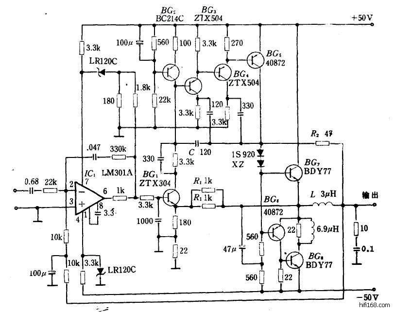
经典的功放电路又怎么少了这个!!!
0.jpg (, 下载次数:274)

jpg(2007/12/6 16:09:00 上传)

0.jpg

欢迎光临基点音乐论坛:

http://www.mydcentre.com/club/index.asp
TOP
29#

回复:【我为论坛作贡献】晶体管后级功放经典电路图集

是啊,我正准备贴上这个国都的电流倾注功放呢。
上世纪70年代的产品,另类而实用。到今天仍然有指导意义!

运放推动,接着共射放大,再接着复合共射放大,
推动级BG5纯甲类放大(小信号时通过R2输出,误差前馈),
末级乙类推挽电流倾注放大。
老夫老矣!!
TOP
30#

回复:【我为论坛作贡献】晶体管后级功放经典电路图集

曾经(十年前)熟得不能再熟的电路们,久违了!!!
最后编辑liao.c 最后编辑于 2007-12-06 19:35:48
TOP
发新话题 回复该主题